Каталог товаров

Трехходовой шаровый кран BV3

СДЕЛАНО В РОВЕН
Описание товара
Характеристики моделей
Купить

Трехходовые шаровые краны предназначены для регулирования потока горячей или холодной воды, с управлением электроприводами РОВЕН серии RVE(H) по сигналу регулятора температуры в системах отопления, вентиляции и кондиционирования воздуха. 

Особенности: 

  • Номинальный (условный диаметр): DN15, DN20, DN25, DN32
  • Материал изготовления корпуса - латунь;
  • Расчетное рабочее давление: 2,5 МПа/1,6 МПа
  • Давление отключения: 1,36 МПа
  • Максимальный перепад рабочего давления: 0,35 МПа
  • Максимальный перепад бесшумного рабочего давления: 0,25 МПа
  • Надежная конструкция
  • Температура перемещаемой воды от + 5 до + 95 °C при температуре окружающей среды до + 40° C.

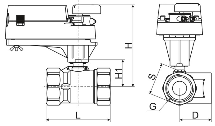
Габаритные размеры кранов

BV3 чертеж.jpg

Модель

DN

G, дюйм

H, мм

H1, мм

L, мм

S, мм

D, мм

BV315B(8100)

BV315C(8100)

15

G1/2

142

39

60

25

30

BV320D(8100)

20

G3/4

146

43

67

32

33

BV325A(8100)

BV325B(8100)

25

G1

150

47

89

39

47

BV332B(8100)

32

G1 1/4

155

52

98

48

50

Технические характеристики кранов

Модель

DN

Диаметр соединения, дюйм

KVs

Угол поворота

Используемый электропривод

BV315B(8100)

15

1/2

2,5

0-90

RVE02-24P(H)

RVE05-24P(H)

BV315C(8100)

15

1/2

4,0

BV320D(8100)

20

3/4

6,3

BV325A(8100)

25

1

10,0

-

BV325B(8100)

25

1

16,0

BV332B(8100)

32

1 1/4

25,0


Не представленные в наличии модели доступны к поставке под заказ

Оповестить о поступлении

Спасибо за обращение!
Наш менеджер свяжется с вами.

Всю необходимую информацию также можно получить по телефону «горячей линии»

+ 7 800 200 93 96

или по телефону

+7 800 505 08 67 получить консультацию