Смесительный узел серии СУ-R, СУ-F
Смесительные узлы СУ предназначены для подключения водяных теплообменников к источнику тепловой энергии и выполняют следующие функции:
- регулирование мощности теплообменника для поддержания заданной температуры воздуха, проходящего через него;
- управление параметрами теплоносителя для поддержания заданной температуры воды (незамерзающей смеси) в теплообменнике;
- обеспечивают циркуляцию теплоносителя через теплообменник, для предотвращения замораживания теплоносителя и поддержания заданных температурных параметров;
- отображение параметров температуры и давления теплоносителя.
Теплоноситель, протекающий через узел, не должен быть вязким, содержать твердых примесей, минеральных масел и агрессивных химических веществ, способствующих коррозии или химическому разложению меди, латуни, нержавеющей стали, цинка, пластмасс, резины, чугуна.
Максимально допустимые эксплуатационные параметры теплоносителя:
- максимально допустимая температура теплоносителя на входе: +110°С;
- максимально допустимое давление: 1 МПа;
- минимальное рабочее давление: 20 кПа.
Установка смесительных узлов допускается в отапливаемых помещениях с температурой от +5 °С до +40 °С и относительной влажностью не более 40 % при температуре +40 °С.
По отдельному заказу возможно изготовление комплекта гибких соединений (подводок) для облегчения монтажа смесительных узлов.
Смесительный узел с трехходовым регулирующим краном
Принцип работы основан на плавном закрытии или открытии трехходового регулирующего крана при сохранении постоянного расхода теплоносителя через теплообменник, но при этом изменяется температура в подающем трубопроводе за счет смешивания потоков обратного и подающего теплоносителя в трехходовом кране. Благодаря такому регулированию обеспечивается защита от замораживания теплоносителя и поддержание температуры воздуха после калорифера в системе вентиляции.
Посредством байпасной линии происходит разгрузка трехходового клапана по давлению, а также обеспечивается постоянство расхода в тепловой сети.
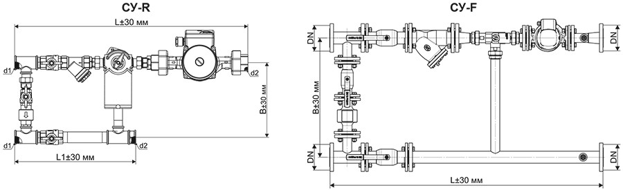
Габаритные размеры смесительных узлов

|
Наименование |
L, мм |
L1, мм |
B, мм |
d1, дюймы |
d2, дюймы |
DN, мм |
Масса, кг |
|
СУ-R-3-40-1.0/24 |
530 |
285 |
180 |
G 3/4 |
G 1 |
- |
6,7 |
|
СУ-R-3-40-1.0/24 ТМ |
590 |
345 |
180 |
G 3/4 |
G 1 |
- |
7 |
|
СУ-R-3-40-1.6/24 |
530 |
285 |
180 |
G 3/4 |
G 1 |
- |
6,7 |
|
СУ-R-3-40-1.6/24 ТМ |
590 |
345 |
180 |
G 3/4 |
G 1 |
- |
7 |
|
СУ-R-3-40-2.5/24 |
530 |
285 |
180 |
G 3/4 |
G 1 |
- |
6,7 |
|
СУ-R-3-40-2.5/24 ТМ |
590 |
345 |
180 |
G 3/4 |
G 1 |
- |
7 |
|
СУ-R-3-40-4.0/24 |
530 |
285 |
180 |
G 3/4 |
G 1 |
- |
6,7 |
|
СУ-R-3-40-4.0/24 ТМ |
590 |
345 |
180 |
G 3/4 |
G 1 |
- |
7 |
|
СУ-R-3-60-4.0/24 |
530 |
285 |
180 |
G 3/4 |
G 1 |
- |
6,7 |
|
СУ-R-3-60-4.0/24 ТМ |
590 |
345 |
180 |
G 3/4 |
G 1 |
- |
7 |
|
СУ-R-3-60-6.3/24 |
580 |
320 |
200 |
G 1 |
G 1 |
- |
8 |
|
СУ-R-3-60-6.3/24 ТМ |
640 |
380 |
200 |
G 1 |
G 1 |
- |
8,4 |
|
СУ-R-3-80-6.3/24 |
580 |
320 |
200 |
G 1 |
G 1 |
- |
9,7 |
|
СУ-R-3-80-6.3/24 ТМ |
640 |
380 |
200 |
G 1 |
G 1 |
- |
10,1 |
|
СУ-R-3-80-10/24 |
660 |
380 |
245 |
G1 1/4 |
G1 1/4 |
- |
13 |
|
СУ-R-3-80-10/24 ТМ |
730 |
450 |
245 |
G1 1/4 |
G1 1/4 |
- |
13,7 |
|
СУ-R-3-80-16/24 |
660 |
380 |
245 |
G1 1/4 |
G1 1/4 |
- |
13,7 |
|
СУ-R-3-80-16/24 ТМ |
730 |
450 |
245 |
G1 1/4 |
G1 1/4 |
- |
14,4 |
|
СУ-R-3-80-25/24 |
660 |
400 |
290 |
G1 1/4 |
G1 1/4 |
- |
14 |
|
СУ-R-3-80-25/24 ТМ |
730 |
470 |
290 |
G1 1/4 |
G1 1/4 |
- |
14,7 |
|
СУ-F-3-120-40/24 |
1620,5 |
- |
763 |
- |
- |
65 |
140 |
|
СУ-F-3-120-40/24ТМ |
1620,5 |
- |
763 |
- |
- |
65 |
140,4 |
|
СУ-F-3-120-63/24 |
1694 |
- |
763 |
- |
- |
65 |
152 |
|
СУ-F-3-120-63/24 ТМ |
1694 |
- |
763 |
- |
- |
65 |
152,4 |
Технические характеристики смесительных узлов
|
Наименование |
Пропускная способность крана, Kvs, м3/ч |
Параметры насоса |
Параметры управляющего привода |
||||
|
Мощность макс, Вт |
Напряжение питания, В |
Ток макс, А |
Напряжение питания, В |
Мощность, Вт |
Управляющий сигнал |
||
|
СУ-R-3-40-1.0/24 |
1 |
72 |
220 |
0,31 |
24 AC/DC |
2 |
0-10В постоянного тока |
|
СУ-R-3-40-1.0/24 ТМ |
|||||||
|
СУ-R-3-40-1.6/24 |
1,6 |
||||||
|
СУ-R-3-40-1.6/24 ТМ |
|||||||
|
СУ-R-3-40-2.5/24 |
2,5 |
||||||
|
СУ-R-3-40-2.5/24 ТМ |
|||||||
|
СУ-R-3-40-4.0/24 |
4 |
||||||
|
СУ-R-3-40-4.0/24 ТМ |
|||||||
|
СУ-R-3-60-4.0/24 |
4 |
93 |
0,4 |
||||
|
СУ-R-3-60-4.0/24 ТМ |
|||||||
|
СУ-R-3-60-6.3/24 |
6,3 |
||||||
|
СУ-R-3-60-6.3/24 ТМ |
|||||||
|
СУ-R-3-80-6.3/24 |
6,3 |
270 |
1,2 |
5 |
|||
|
СУ-R-3-80-6.3/24 ТМ |
|||||||
|
СУ-R-3-80-10/24 |
10 |
||||||
|
СУ-R-3-80-10/24 ТМ |
|||||||
|
СУ-R-3-80-16/24 |
16 |
||||||
|
СУ-R-3-80-16/24 ТМ |
|||||||
|
СУ-R-3-80-25/24 |
25 |
||||||
|
СУ-R-3-80-25/24 ТМ |
|||||||
|
СУ-F-3-120-40/24 |
40 |
700 |
380 |
1,3 |
10 |
||
|
СУ-F-3-120-40/24 ТМ |
|||||||
|
СУ-F-3-120-63/24 |
63 |
1600 |
1,6 |
||||
|
СУ-F-3-120-63/24 ТМ |
|||||||
Характеристики смесительных узлов



Электрическая схема подключения


Пример подбора смесительных узлов
Для подбора смесительного узла нужно знать необходимый расход теплоносителя в м3/ч и суммарные потери давления в нагревателе в кПа, на основе этих данных по вышеприведенным графикам подбираем смесительный узел так, чтобы точка нагревателя (расход, давление) находилась ниже и левее одной или несколько линий графика смесительного узла, оптимально в зоне двух третьих характеристики, ближе к правому краю.

Пример подбора:
Допустим, после расчетов требуемый расход воды для трехрядного нагревателя TFT 600.350.3 равен 1,8 м3/ч, при этом расходе потери давления по воде для данного нагревателя составляют 11 кПа (точка 1 на графике СУ-R-3-60-4.0/24). Оптимально для рассматриваемого примера подойдет смесительный узел СУ-R-3-60-4.0/24, при этом, так как точка потерь в нагревателе (точка 1, см график) располагается выше графиков первой и второй скорости работы насоса смесительного узла, то реальная рабочая точка системы нагреватель-смесительный узел (без учета гидравлических потерь в соединительных элементах между смесительным узлом и нагревателем) примет положение (точка 2) и будет равна расходу ≈ 1,9 м3/ч, давлению ≈ 13кПа.
Не представленные в наличии модели доступны к поставке под заказ
Всю необходимую информацию также можно получить по телефону «горячей линии»
+ 7 800 200 93 96или по телефону
+7 800 505 08 67 получить консультацию